How To Order
| How to order |
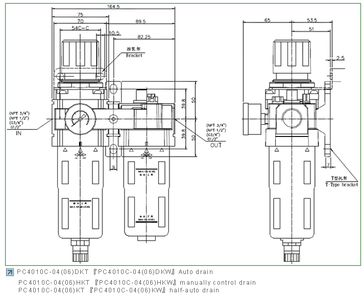
PC4010C-04
|
PC4010C-06
|
|
| Component | Filter regulator | PW4000C-04 | PW4000C-06 |
| Lubricator | PL4000-04 | PL4000-06 | |
| Port size |
G 1/ 2”
|
G 3/ 4”
|
|
| Max. supply pressure |
15 kgf/cm2
|
||
| Max. operating pressure |
9.9 kgf/cm2
|
||
| Regulating range |
0.5~8.5 kgf/cm2
|
||
| Port size for pressure gauge |
G 1/4
|
||
| Max. Flow rate |
6200 NL/min
|
||
| Ambient and media temperature | -5~ 60 °C | ||
| Filter element | Standard:5 μm Option : 2,10 μm | ||
| Recommended oil | ISO VG32 | ||
| Bowl material |
Polycarbonate
|
||
| Weight |
1.84 kgf
|
||
Accessories
|
How to order
|
Appellation
|
|
AD53
|
Float type auto drain (N.C)
|
|
K40210
|
1/4 PT Pressure gauge 0~10bar
|
|
B410I
|
I-Type bracket |
|
B410T
|
T-Type bracket |
|
B410-O
|
O-Type spacer |
|
Y42-04
|
T-Type spacer 1/4 port size |
|
W522
|
Bracket |
客服熱線:



