|
公司基本資料信息
|
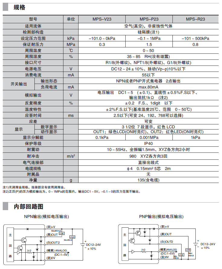
|||||||||||||||
MPS-V23R-NGA,MPS-P23N-NGA,MPS-R23G-NGA,MPS-V23R-PGA,壓力傳感器




MPS-P23R-NGA,MPS-R23R-NGA,MPS-V23N-NGA,MPS-R23N-NGA,
MPS-V23G-NGA,MPS-P23G-NGA,MPS-P23C-NGA,MPS-R23C-NGA,
MPS-V23C-NGA,MPS-P23N-PGA,CCLAIR,MPS-R23G-PGA,MPS-V23C-PGA,
MPS-P23R-PGA,MPS-R23R-PGA,MPS-V23N-PGA,MPS-R23N-PGA,
MPS-V23G-PGA,MPS-P23G-PGA,MPS-P23C-PGA,MPS-R23C-PGA,