|
公司基本資料信息
|
|||||||||||||||
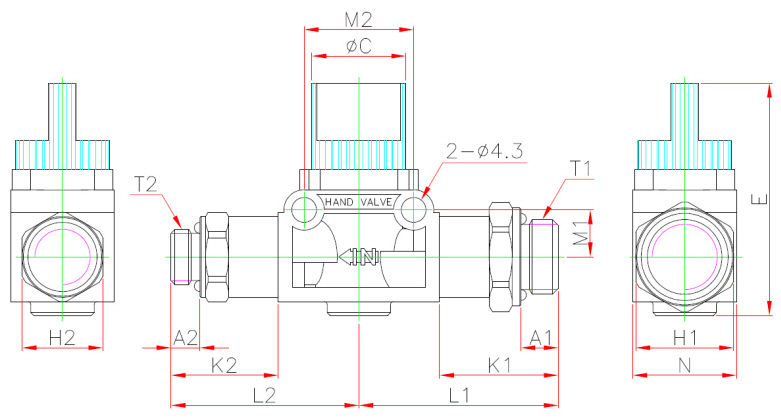
HVMG01-G01,HVMG02-G01,HVMG02-G02,HVMG03-G02,HVMG03-G03,HVMG04-G03,HVMG04-G04,調(diào)速閥
| Model | T1 | T2 | H1(Hex) | H2(Hex) | ∅C | N | E | A1 | A2 | K1 | K2 | L1 | L2 | M1 | M2 | WEIGHT(g) | EA(BOX) |
| HVMG01-G01 | G 1/8 | G 1/8 | 14 | 14 | 16.3 | 18 | 40.3 | 5 | 5 | 18.6 | 18.6 | 32.6 | 32.6 | 8.2 | 19 | 47 | 25 |
| HVMG02-G01 | G 1/4 | G 1/8 | 17 | 14 | 16.3 | 18 | 40.3 | 6.5 | 5 | 20.6 | 18.6 | 34.6 | 32.6 | 8.2 | 19 | 49 | 25 |
| HVMG02-G02 | G 1/4 | G 1/4 | 17 | 17 | 16.3 | 18 | 40.3 | 6.5 | 6.5 | 20.6 | 20.6 | 34.6 | 34.6 | 8.2 | 19 | 50 | 25 |
| HVMG03-G02 | G 3/8 | G 1/4 | 20 | 17 | 19.3 | 21.2 | 40.5 | 6.5 | 6.5 | 18.5 | 20.6 | 35 | 34.6 | 10.9 | 24 | 64 | 15 |
| HVMG03-G03 | G 3/8 | G 3/8 | 20 | 20 | 19.3 | 21.2 | 40.5 | 6.5 | 6.5 | 18.5 | 18.5 | 35 | 35 | 10.9 | 24 | 83 | 15 |
| HVMG04-G03 | G 1/2 | G 3/8 | 24 | 20 | 19.3 | 21.2 | 40.5 | 8 | 6.5 | 21.6 | 18.5 | 38.1 | 35 | 10.9 | 24 | 103 | 15 |
| HVMG04-G04 | G 1/2 | G 1/2 | 24 | 24 | 19.3 | 21.2 | 40.5 | 8 | 8 | 21.6 | 21.6 | 38.1 | 38.1 | 10.9 | 24 | 121 | 15 |
外形尺寸
