|
公司基本資料信息
|
|||||||||||||||
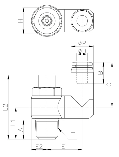
NSS04-M5(DC),NSS06-M5(DC),NSS08-01(DC),NSS10-02(DC),NSS12-02(DC),調(diào)速閥
| Model | ¢D | ¢P | T | L1 | L2 | E1 | E2 | A | B | H(Hex) | C | WEIGHT(g) | BOX(EA) |
| NSS 04-M5(DC) | 4 | 10.5 | M5x0.8p | 9.6 | 23.2 | 12.3 | 5.2 | 3.6 | 14.8 | 8 | 20.3 | 7 | 50 |
| NSS 04-01(DC) | 4 | 10.5 | R1/8 | 15.1 | 31.5 | 14.3 | 7 | 8.2 | 14.8 | 11 | 20.3 | 16 | 50 |
| NSS 04-02(DC) | 4 | 10.5 | R1/4 | 18.4 | 37 | 17.8 | 9.2 | 11 | 14.8 | 15 | 20.3 | 35 | 50 |
| NSS 06-M5(DC) | 6 | 12.5 | M5x0.8p | 9.6 | 23.2 | 13.3 | 5.2 | 3.6 | 16.4 | 8 | 22.4 | 9 | 50 |
| NSS 06-01(DC) | 6 | 12.5 | R1/8 | 15.6 | 31.5 | 15 | 7 | 8.2 | 16.4 | 11 | 24 | 18 | 25 |
| NSS 06-02(DC) | 6 | 12.5 | R1/4 | 18.4 | 37 | 20.3 | 9.2 | 11 | 16.4 | 15 | 25.9 | 33 | 25 |
| NSS 06-03(DC) | 6 | 12.5 | R3/8 | 21.9 | 43.3 | 23.3 | 11.5 | 12.2 | 16.4 | 19 | 25.9 | 63 | 25 |
| NSS 08-01(DC) | 8 | 14.8 | R1/8 | 15.6 | 31.5 | 16.2 | 7 | 8.2 | 18.3 | 11 | 24.9 | 20 | 25 |
| NSS 08-02(DC) | 8 | 14.8 | R1/4 | 18.4 | 37 | 19.3 | 9.2 | 11 | 18.3 | 15 | 28.3 | 34 | 25 |
| NSS 08-03(DC) | 8 | 14.8 | R3/8 | 22.4 | 43.3 | 24.6 | 11.5 | 12.2 | 18.3 | 19 | 29.3 | 64 | 25 |
| NSS 08-04(DC) | 8 | 14.8 | R1/2 | 26.6 | 50.2 | 26.6 | 14.3 | 16.5 | 18.3 | 24 | 29.3 | 100 | 20 |
| NSS 10-02(DC) | 10 | 17.5 | R1/4 | 18.4 | 37 | 20.3 | 9.2 | 11 | 20.2 | 15 | 30.7 | 38 | 20 |
| NSS 10-03(DC) | 10 | 17.5 | R3/8 | 22.4 | 43.3 | 24.6 | 11.5 | 12.2 | 20.2 | 19 | 31.7 | 63 | 20 |
| NSS 10-04(DC) | 10 | 17.5 | R1/2 | 26.7 | 50.2 | 26.7 | 14.3 | 16.5 | 20.2 | 24 | 33.1 | 103 | 12 |
| NSS 12-02(DC) | 12 | 20.5 | R1/4 | 18.4 | 37 | 21.8 | 9.2 | 11 | 22.9 | 15 | 33.4 | 42 | 12 |
| NSS 12-03(DC) | 12 | 20.5 | R3/8 | 22.4 | 43.3 | 24.6 | 11.5 | 12.2 | 22.9 | 19 | 34.4 | 65 | 12 |
| NSS 12-04(DC) | 12 | 20.5 | R1/2 | 26.7 | 50.2 | 26.7 | 14.3 | 16.5 | 22.9 | 24 | 35.8 | 104 | 12 |
外形尺寸
