|
公司基本資料信息
|
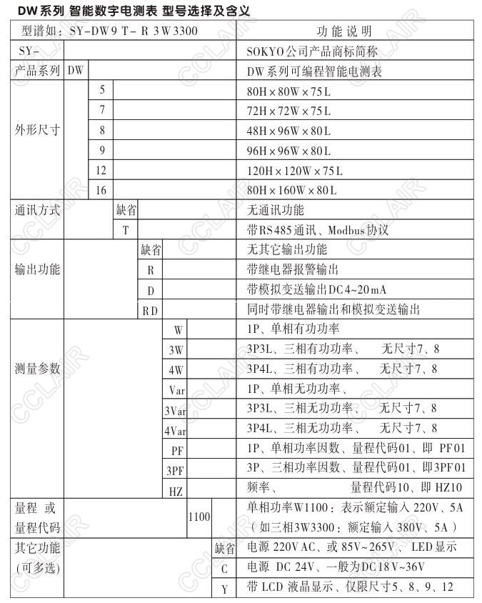
|||||||||||||||
SY-DW9-W1100Y,SY-DW9-RW1100,SY-DW9-RW1100C,SY-DW9-RW1100Y,SY-DW9-DW1100,SY-DW9-DW1100C,SY-DW9-DW1100Y,SY-DW9-RDW1100,SY-DW9-RDW1100C,SY-DW9-RDW1100Y,SY-DW9T-W1100,SY-DW9T-W1100C,SY-DW9T-W1100Y,SY-DW9T-RW1100,SY-DW9T-RW1100C,SY-DW9T-RW1100Y,SY-DW9T-DW1100,SY-DW9T-DW1100C,SY-DW9T-DW1100Y,SY-DW9T-RDW1100,SY-DW9T-RDW1100C,SY-DW9T-RDW1100Y,DW9-W1100,DW9-W1100C,DW9-W1100Y,DW9-RW1100,DW9-RW1100C,DW9-RW1100Y,DW9-DW1100,DW9-DW1100C,DW9-DW1100Y,DW9-RDW1100,DW9-RDW1100C,DW9-RDW1100Y,DW9T-W1100,DW9T-W1100C,DW9T-W1100Y,DW9T-RW1100,DW9T-RW1100C,DW9T-RW1100Y,DW9T-DW1100,DW9T-DW1100C,DW9T-DW1100Y,DW9T-RDW1100,DW9T-RDW1100C,DW9T-RDW1100Y




