|
公司基本資料信息
|
|||||||||||||||
|
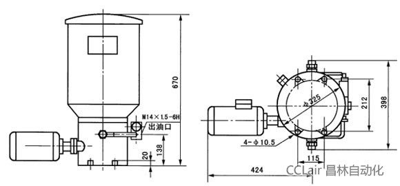
型 號(hào)
|
公稱壓力MPa
|
貯油器容積L
|
公稱流量mL/min
|
電機(jī)
|
重 量kg
|
|
|
功率kW
|
電壓V
|
|||||
|
DB-N25
|
31.5
|
30
|
0~25
|
0.37
|
380
|
37
|
|
DB-N45
|
0~45
|
39
|
||||
|
DB-N50
|
0~50
|
37
|
||||
|
DB-N90
|
0~90
|
39
|
||||

