|
公司基本資料信息
|
|||||||||||||||
Technical Data.
5/2 Mechanical button, manually selection switch
|
Position
|
5/2 Way
|
|
Port size
|
G 1/8”
|
|
Effective area
|
12mm2 (Cv=0.67)
|
|
Nominal flow
|
670 Nl/min
|
|
Fluid
|
Compressed air
|
|
Pressure range
|
1.5~8bar(22~115psi)
|
|
Operating temperture
|
5~60°C (41~140°F)
|
|
Weight
|
0.10 kg
|

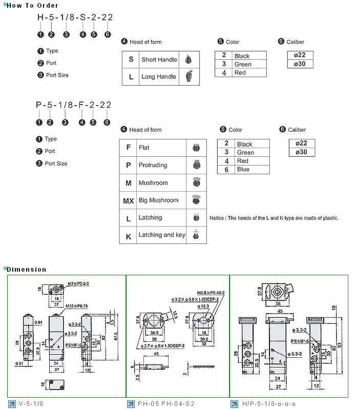
H-5-1/8-S-2-30,H-5-1/8-S-3-22,H-5-1/8-S-3-30,H-5-1/8-S-4-22,H-5-1/8-S-4-30,