|
公司基本資料信息
|
|||||||||||||||



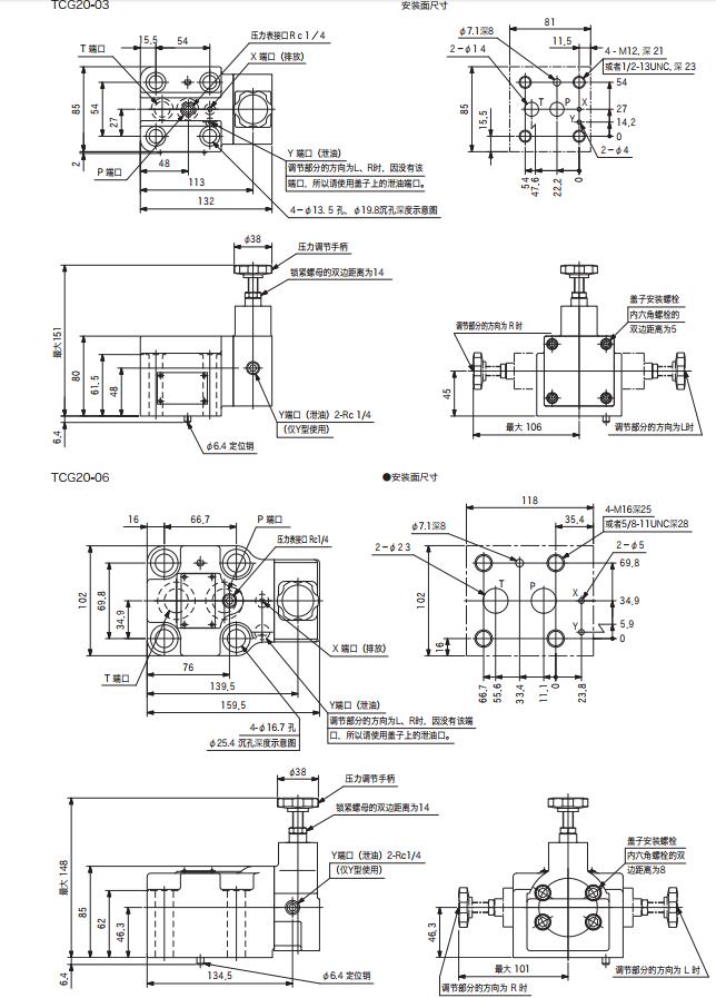
TCG20-03-A-12,TCG20-03-AV-12,TCG20-03-AVY-12,TCG20-03-B-12,TCG20-03-BV-12,TCG20-03-BVY-12,TCG20-03-C-12 TCG20-03-CV-12,TCG20-03-CVY-12,TCG20-03-F-12,TCG20-03-FV-12,TCG20-03-FVY-12,TCG20-06-A-12,TCG20-06-AV-12 TCG20-06-AVY-12,TCG20-06-B-12,TCG20-06-BV-12,TCG20-06-BVY-12,TCG20-06-C-12,TCG20-06-CV-12,TCG20-06-CVY-12 TCG20-06-F-12,TCG20-06-FV-12,TCG20-06-FVY-12,TCG20-10-A-12,TCG20-10-AV-12,TCG20-10-AVY-12,TCG20-10-B-12 TCG20-10-BV-12,TCG20-10-BVY-12,TCG20-10-C-12,TCG20-10-CV-12,TCG20-10-CVY-12,TCG20-10-F-12,TCG20-10-FV-12 TCG20-10-FVY-12