|
公司基本資料信息
|
|||||||||||||||

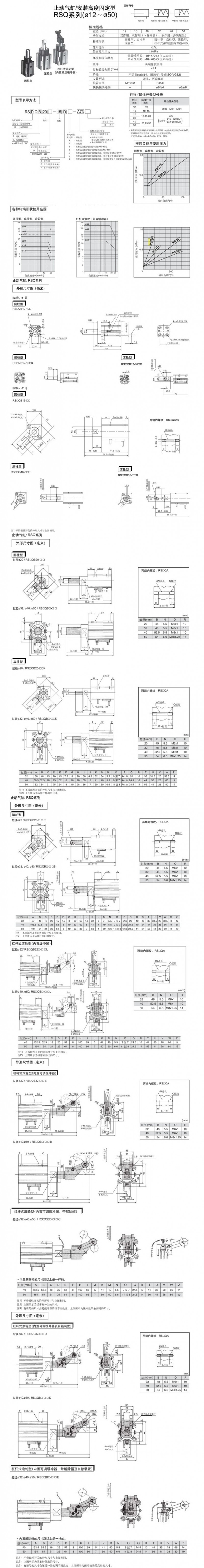
RSQB32-10D,RSQB32-20D,RSQB32-30D,RSQB32-40D,RSQB32-50D,RSQB40-10D,RSQB40-20D, RSQB40-30D,RSQB40-40D,RSQB40-50D,RSQB50-10D,RSQB50-20D,RSQB50-30D,RSQB50-40D, RSQB50-50D,RSQB32-10B,RSQB32-20B,RSQB32-30B,RSQB32-40B,RSQB32-50B,RSQB40-10B, RSQB40-20B,RSQB40-30B,RSQB40-40B,RSQB40-50B,RSQB50-10B,RSQB50-20B,RSQB50-30B, RSQB50-40B,RSQB50-50B,RSQB32-10T,RSQB32-20T,RSQB32-30T,RSQB32-40T,RSQB32-50T, RSQB40-10T,RSQB40-20T,RSQB40-30T,RSQB40-40T,RSQB40-50T,RSQB50-10T,RSQB50-20T, RSQB50-30T,RSQB50-40T,RSQB50-50T