|
公司基本資料信息
|
|||||||||||||||
How To Order
| How to order |
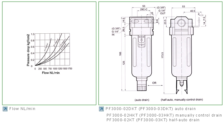
PF3000-02
|
PF3000-03
|
| Port size |
G 1/ 4”
|
G 3/ 8”
|
| Max. supply pressure |
15 kgf/cm2
|
|
| Max. operating pressure |
9.9 kgf/cm2
|
|
| Ambient and media temperature |
5 ~ 60 °C
|
|
| Filter element |
Standard :5 μ m Option : 2,10 μ m
|
|
| Bowl material |
Polycarbonate
|
|
| Bowl capacity |
20 cm3
|
|
| Weight |
0.3 kgf
|
|

Accessories
|
How to order
|
Appellation
|
|
AD53
|
Float type auto drain(N.C)
|
|
B423
|
Bracket
|