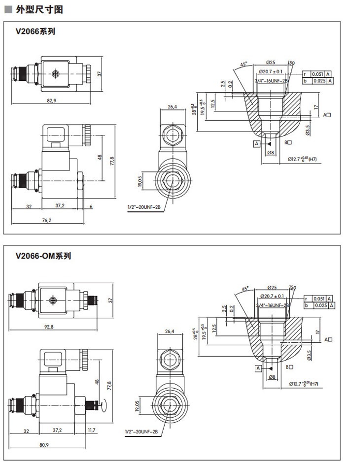
V2066-D12,V2066-D24,V2066-A15,V2066-A25,V2066-D12-NO-OM,V2066-A25-NC,插裝式無泄漏閥


V2066-D12-NC,V2066-D24-NC-OM,V2066-D24-NC,V2066-A15-NC-OM,V2066-A15-NC,V2066-A25-NC-OM,
V2066-A25-NO,V2066-D12-NC-OM,V2066-D12-NO,V2066-D24-NO-OM,V2066-D24-NO,V2066-A15-NO-OM,
V2066-A15-NO,V2066-A25-NO-OM,