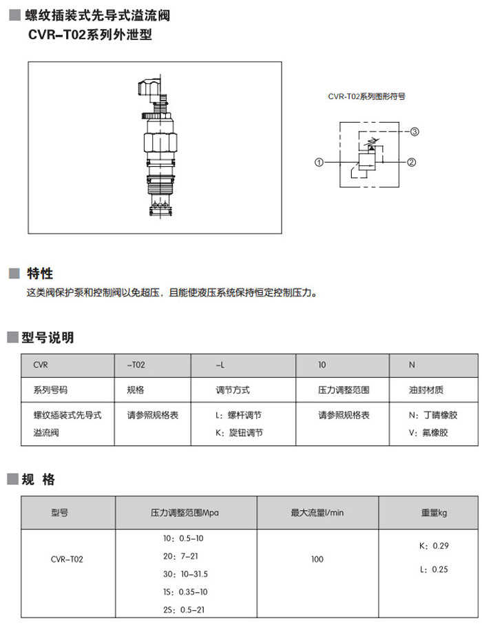
CVR-T02-L10N,CVR-T02-K10N,CVR-T02-L20N,CVR-T02-L30N,CVR-T02-L1SN,CVR-T02-L2SN,螺紋插裝式先導(dǎo)式溢流閥


CVR-T02-K20N,CVR-T02-K30N,CVR-T02-K1SN,CVR-T02-K2SN,CVR-T02-L10V,CVR-T02-L20V,CVR-T02-L30V,
CVR-T02-L1SV,CVR-T02-L2SV,CVR-T02-K10V,CVR-T02-K20V,CVR-T02-K30V,CVR-T02-K1SV,CVR-T02-K2SV,